SOLTEC ®
МЕХАНИЧЕСКИЙ ЗАВОД
ГОРЯЧАЯ ЛИНИЯ:
+7 800 333 30 88
WHATSAPP:
+7 717 278 77 77
E-MAIL:
info@soltec.ru

Какие услуги и аналоги продуктов NETZSCH® мы предлагаем?

SOLTEC® производит и поставляет полную линейку аналогов винтовых насосов NETZSCH® и запчастей к любым модификациям насосов NETZSCH®, NEMO® , NM, NE, NDP и пр. Поставка осуществляется в кратчайшие сроки через развитую складскую сеть.

100% аналоги одновинтовых насосов NETZSCH®

  • Подача - до 450 м3/час
  • Давление - до 48 бар
  • Температура среды - до 135 С
  • Вязкость среды - до 150,000 сP
  • Любые дополнительные опции

100% аналоги NETZSCH®

ЗАПРОС

100% аналоги запчастей к насосам NETZSCH®

  • Роторы
  • Статоры
  • Тяги шарнира
  • Переходные валы
  • Ремкоплекты шарнирного узла
  • Торцевые уплотнения

100% аналоги NETZSCH®

ЗАПРОС

Статоры к одновинтовым насосам NETZSCH®

  • NBR - Бутадиен-нитрильный каучук
  • HNBR - Гидрированный бутадиен-нитрильный каучук
  • VITON® - Фторкаучук
  • EPDM - Этилен-пропиленовый каучук
  • NR - Натуральный каучук

3005 чертежный номер

ЗАПРОС

Роторы к одновинтовым насосам NETZSCH®

  • 304 - нержавеющая сталь
  • 316 - химически стойкая нержавеющая сталь
  • 304+Cr - нержавеющая сталь с покрытием твердым хромом
  • Инструментальная сталь с последующей закалкой

1999 чертежный номер

ЗАПРОС

Тяги шарнира к одновинтовым насосам NETZSCH®

  • 304 - нержавеющая сталь
  • 316 - химически стойкая нержавеющая сталь
  • Специальные стали

1998 чертежный номер

ЗАПРОС

Переходные валы к одновинтовым насосам NETZSCH®

  • 304 - нержавеющая сталь
  • 316 - химически стойкая нержавеющая сталь
  • Специальные стали
  • Керамическое покрытие под сальник

1050 чертежный номер

ЗАПРОС

Пальцы шарнира к одновинтовым насосам NETZSCH®

  • Инструментальная сталь с последующей закалкой

5075 чертежный номер

ЗАПРОС

Уплотнительные кольца шарнира к одновинтовым насосам NETZSCH®

  • NBR - Бутадиен-нитрильный каучук
  • HNBR - Гидрированный бутадиен-нитрильный каучук
  • VITON® - Фторкаучук
  • EPDM - Этилен-пропиленовый каучук
  • NR - Натуральный каучук

8060 чертежный номер

ЗАПРОС

Рукав шарнира к одновинтовым насосам NETZSCH®

  • 304 - нержавеющая сталь
  • 316 - химически стойкая нержавеющая сталь
  • Специальные стали

5115 чертежный номер

ЗАПРОС

Обжимные кольца защитного чехла шарнира к одновинтовым насосам NETZSCH®

  • 304 - нержавеющая сталь
  • 316 - химически стойкая нержавеющая сталь
  • Специальные стали

5425 чертежный номер

ЗАПРОС

Защитные чехлы шарнира к одновинтовым насосам NETZSCH®

  • NBR - Бутадиен-нитрильный каучук
  • HNBR - Гидрированный бутадиен-нитрильный каучук
  • VITON® - Фторкаучук
  • EPDM - Этилен-пропиленовый каучук
  • NR - Натуральный каучук

8235 чертежный номер

ЗАПРОС

Стопорные кольца шарнира к одновинтовым насосам NETZSCH®

  • 304 - нержавеющая сталь
  • 316 - химически стойкая нержавеющая сталь
  • Специальные стали

5065 чертежный номер

ЗАПРОС

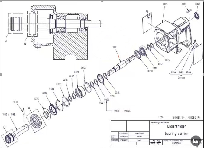
Подробная деталировка насосов NETZSCH®

SOLTEC® производит и поставляет любые запасные части (роторы, статоры, шарнирные узлы, торцевые уплотнения, приводы и пр.) к любым типам насосов NETZSCH®. Подбор запасных и расходных частей на примере насосного агрегата NETZSCH ® NM031BY01P05B (N010844).

СКАЧИВАЮ
Деталировка горизонтального насоса SOLTEC ®
Деталировка горизонтального насоса SOLTEC ®
У МЕНЯ СРОЧНЫЙ ЗАПРОС
ЧЕРТЕЖНЫЙ НОМЕРНАИМЕНОВАНИЕКОЛИЧЕСТВО
ИДЕНТИФИКАЦИОННЫЙ НОМЕР
0085Переходная стойка15066509
0365elbow1520096
1020Шильд1NLP8000314
1020Номер шильда1892897
1030Палец переходного вала15067630
1035Отбойное кольцо1NMP5066416
1050Переходный вал1NLP6002301
1998Тяга шарнира1NLP6000534
1999Винт15060244
2005Выходной патрубок1955217
2010Корпус1NLP6011279
2015Сливная пробка3NLP8000290
2016Сливная пробка1NLP8000269
2020Шпилька крепежная4687463
2035Опорная стойка1955466
3005Обойма15072602
3010Шпилька4955464
3015Шайба Гровера8502014
3070Шайба4502002
5065Стопорное кольцо2512277
5115Рукав2861394
5425Обжимное кольцо2NLP8000448
7015Корпус уплотнения вала1NLP6001432
7030Болт2NLP8000387
7040Сальник6691464
8010Уплотнение3422526
8012Уплотнение1422527
8015Кольцо1516326
8060Кольцо4516955
8235Сильфон2878237
9500Привод1RC06900
5075Палец шарнира2NLP8000068
1040Болт стопрный2NLP6007847

Как расшифровать кодировку насосов NETZSCH® по шильду?

Для правильной идентификации насосов NETZSCH® и запасных частей крайне важно корректно определить модель агрегата.
Оригинальный шильд насоса NETZSCH®
Расшифровка обозначения насосов NETZSCH
Подберите аналог насоса

Как определить модель насоса NETZSCH® по компоновке?

Винтовые насосы NETZSCH® имеют несколько базовых компоновок, в зависимости от выполняемой задачи и заложенных технических характеристик. SOLTEC® производит 100% аналоги любых типов и моделей насосов NETZSCH®. При этом, все запасные части, роторы, статоры и приводы взаимозаменяемы с оригинальными агрегатами.
Винтовой насос, шнековый насос, насосы для нефти
Винтовые насосы
  • Подача до 450 м3/час
  • Давление до 48 бар
  • Темп. среды до 135'C
  • Вязкость среды до 150'000 сП
КОММЕРЧЕСКОЕ
Вертикальный насос, полупогружной насос, погружной насос
Полупогружные насосы
  • Подача до 450 м3/час
  • Давление до 48 бар
  • Темп. среды до 135'C
  • Вязкость среды до 150'000 сП
КОММЕРЧЕСКОЕ
Штукатурная станция, машинная штукатурка
Мультифазные Насосы
  • Полная обвязка
  • Автоматика
  • Любая степень защиты
  • Запчасти со склада
КОММЕРЧЕСКОЕ
Пищевой насос, насос ОНВ, нержавеющий насос
Пищевые насосы
  • Подача до 450 м3/час
  • Давление до 48 бар
  • Темп. среды до 135'C
  • Вязкость среды до 150'000 сП
КОММЕРЧЕСКОЕ
Бочковой насос, насос для бочки, насос для контейнера SOLTEC ®
Гигиенические насосы
  • ПОДАЧА ДО 450 М3/ЧАС
  • ДАВЛЕНИЕ ДО 48 БАР
  • ТЕМП. СРЕДЫ ДО 135'C
  • ВЯЗКОСТЬ СРЕДЫ ДО 150'000 СП
КОММЕРЧЕСКОЕ
Запасные части к винтовым насосам SOLTEC, Netzsch, Nemo, Seepex, Неч, Немо, Сипекс
Дозировочные НАсосы
  • ДЛЯ ВЯЗКИХ И АГРЕССИВНЫХ СРЕД
  • ДАВЛЕНИЕ ДО 6 БАР
  • ТЕМП. СРЕДЫ ДО 135'C
  • ВЯЗКОСТЬ СРЕДЫ ДО 100'000 СП
КОММЕРЧЕСКОЕ
Винтовой шнековый насос, насос с бункером, насос со шнеком SOLTEC ®
Насосы с горловиной
  • Подача до 450 м3/час
  • Давление до 48 бар
  • Темп. среды до 135'C
  • Вязкость среды до 150'000 сП
КОММЕРЧЕСКОЕ
Дозировочные винтовые насосы SOLTEC ®
Насосы с подающим шнеком
  • ПОДАЧА ДО 450 М3/ЧАС
  • ДАВЛЕНИЕ ДО 48 БАР
  • Темп. среды до 135'C
  • Вязкость среды до 150'000 сП
КОММЕРЧЕСКОЕ
Шнековые пары, роторы, статоры к винтовым насосам
Насосы с дополнительным питателем
  • Подача до 450 м3/час
  • Давление до 48 бар
  • Темп. среды до 135'C
  • Вязкость среды до 150'000 сП
КОММЕРЧЕСКОЕ

Модельный ряд винтовых насосов NETZSCH®

SOLTEC ® производит и поставляет полную линейку аналогов винтовых насосов NETZSCH® и запасных частей к ним. 
6 бар
12 бар18 бар
24 бар
NM011BY01L06BNM011BY02S12B
NM015BY01L06BNM015BY02S12B
NM021BY01L06BNM021BY02S12BNM021BY03S18BNM021BY04S24B
NM031BY01L06BNM031BY02S12BNM031BY03S18BNM031BY04S24B
NM038BY01L06BNM038BY02S12BNM038BY03S18BNM038BY04S24B
NM045BY01L06BNM045BY02S12BNM045BY03S18VNM045BY04S24V
NM053BY01L06BNM053B(S)Y02S12B(V)NM053B(S)Y03S18B(V)NM053B(S)Y04S24B(V)
NM063BY01L06BNM063B(S)Y02S12B(V)NM063B(S)Y03S18B(V)NM063B(S)Y04S24B(V)
NM076BY01L06BNM076B(S)Y02S12B(V)NM076B(S)Y03S18B(V)NM076B(S)Y04S24B(V)
NM090BY01L06BNM090B(S)Y02S12B(V)NM090B(S)Y03S18B(V)NM090B(S)Y04S24B(V)
NM105BY01L06BNM105B(S)Y02S12B(V)NM105B(S)Y03S18B(V)NM105B(S)Y04S24B(V)
NM125BY01L06BNM125B(S)Y02S12B(V)NM125SY03S18ZNM125SY04S24Z
NM148BY01L06BNM148SY02S12VNM148SY03S18ZNM148SY04S24Z
5 бар9 бар
NM053BY01P05VNM053BY01D09V
NM063BY01P05VNM063BY01D09V
NM076BY01P05VNM076BY01D09V
NM090BY01P05VNM090BY01D09V
NM105BY01P05VNM105BY01D09V
NM125BY01P05VNM125BY01D09V
ДЕЛАЮ ЗАПРОС

Геометрия винтов и обойм к насосам NETZSCH®

На насосах NETZSCH® стандартно используется четыре основных геометрии обойм и винтов. Каждый тип геометрии имеет свои особенности и область применения.

S-геометрия


L-геометрия


D-геометрия


P-геометрия

L-геометрия

Каталог насосного оборудования NETZSCH®

Скачайте Каталог насосного оборудования NETZSCH® по ссылке.

СКАЧИВАЮ
Our projects

NETZSCH®

ЗАПАСНЫЕ ЧАСТИ

SOLTEC®производит весь набор запасных частей к насосам NETZSCH®: винты, обоймы, шарнирные узлы, торцевые уплотнения; а так же поставляем: редукторы и электродвигатели любой степени защиты, автоматику, системы обогрева/охлаждения, измельчители и пр.

Паспорт/Инструкция эксплуатации к насосу NETZSCH®

Скачайте Паспорт/Инструкцию экслуатации к насосам NETZSCH® по ссылке.

СКАЧИВАЮ
НАИМЕНОВАНИЕЧЕРТЕЖНЫЙ НОМЕРМАТЕРИАЛ
Обойма3005Еластомер NR, NBR, Q, EPM, FKM
Винт1999Сталь 45#, 2Cr13, 304, 316L, 2205, Ti (Термообработка, либо покрытие твердым хромом)
Палец шарника5075Сталь 45#, 2Cr13, 304, 316L
Уплотнительное кольцо8060Еластомер NR, NBR, Q, EPM, FKM
Рукав5110, 5115Сталь 45#, 2Cr13, 304, 316L, 2205, Ti
Стопорное кольцо5065Сталь 45#, 2Cr13, 304, 316L
Сильфон8235Эластомер NR, NBR, Q, EPM, FKM
Обжимное кольцо5425Сталь 45#, 2Cr13, 304, 316L
Тяга шарнира1998Сталь 45#, 2Cr13, 304, 316L, 2205, Ti
Болт стопорный1040Сталь 45#, 2Cr13, 304, 316L
Прокладка1045Сталь 45#, 2Cr13, 304, 316L
Палец переходного вала1030Сталь 45#, 2Cr13, 304, 316L
Переходный вал1050Сталь 45#, 2Cr13, 304, 316L
Торцовое уплотнение7010Одинарное, двойное, двойное с промывкой, картридж и пр.

Инструкция по подбору и замене насосов и запчастей NETZSCH


Как идентифицировать насос NETZSCH?

Какая информация необходима для правильного подбора запчастей NETZCH?

У меня есть насос NETZSCH и я хочу подобрать такой же.

Как правильно подобрать материал винта и обоймы к насосу NETZSCH?

Как понять, какие запасные части мне нужны к насосу NETZSCH?

У МЕНЯ ЕСТЬ ВОПРОС

Запросить коммерческое предложение

Сжатые сроки на подготовку коммерческого предложения на самые сложные запросы.

ЗАПРАШИВАЮ
Насосы NETZSCH®

Насосы любых типов и моделей NETZSCH® со склада.

Обоймы и статоры NETZSCH®

Индивидуальный подбор эластомеров под любую среду.

Винты и роторы NETZSCH®

Производим все типы винтов и роторов NETZSCH® для любых задач.

Ремкомплекты шарнирных узлов NETZSCH®

100% аналоги оригинальных запчастей NETZSCH®

Тяги шарнира NETZSCH®

100% аналоги оригинальных запчастей NETZSCH®

Переходные валы NETZSCH®

100% аналоги оригинальных запчастей NETZSCH®

Торцевые уплотнения и набивка NETZSCH®

100% аналоги оригинальных запчастей NETZSCH®

Собственный склад запчастей NETZSCH®

Срочная поставка запчастей на любые насосы NETZSCH®

Деталировка горизонтального насоса SOLTEC ®